|
|
|
|
|
|
|
Pneumatic piston vibrator series BVP
|
|
|
|
|
|
|
|
Pneumatic piston vibrator series BVP
|
|
|
|
Pneumatic hammer and air impact vibrator, characterized by a large impact force, simple structure, easy to use. Can effectively solve the powder, hanging, blockage of wall material viscosity, Bridges, and so on and so forth. The huge impact, the noise is small..
|
|
|
Pneumatic hammer and air impact vibrator, characterized by a large impact force, simple structure, easy to use. Can effectively solve the powder, hanging, blockage of wall material viscosity, Bridges, and so on and so forth. The huge impact, the noise is small, a variety of models to choose from.Impact and action time can be controlled, easy to install. In the explosion-proof, more dust, damp environment, etc. Widely used in fertilizer, chemical, food, medicine, pesticides, glass, cement and other industries. High strength aluminum structure, single type/impact strength, light weight, shock interval can be adjusted.
Free of oil can be used, very environmentally friendly Pneumatic tapping machine in the process of operation without adding any lubricating oil. So there is no leakage hidden trouble, very suitable for use in the factory work environment.
Adopts pneumatic air supply system and need not install drip characteristics can not only reduce the equipment cost but also the drops of oil machine maintenance burden, the use of customer benefits. Tap on a number of test products by 1 million times. Simple structure basic need not maintain. High level of design and durable performance and simple structure basic need not maintain.
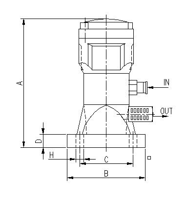
| Model |
A |
B |
C |
D |
H |
In |
Out |
| BVP-30 |
128 |
90*90 |
68*68 |
18 |
12 |
1/4'' PT |
1/4'' PT |
| BVP-40 |
160 |
100*100 |
78*78 |
18 |
12 |
1/4'' PT |
1/4'' PT |
| BVP-60 |
208 |
140*140 |
105*105 |
20 |
16 |
1/4'' PT |
1/4'' PT |
Technical Features
| Model |
Frequency(VPM) |
Vibrator(N) |
Air consumption |
| 2kg |
4kg |
6kg |
2kg |
4kg |
6kg |
| BVP-30 |
197 |
288 |
357 |
808 |
1354 |
1777 |
250 |
| BVP-40 |
174 |
246 |
300 |
1444 |
2195 |
2690 |
270 |
| BVP-60 |
128 |
188 |
197 |
1543 |
3469 |
3681 |
300 |
|
|
【Back】 |
|
|
Category:Industrial Vibrators
|
|
|
|
|
- Features
- Application
- Download
-
-
-
|
|
|
|
|
|